²úÆ·¼ò½é£ºJD-WQX8ÐͰËÒªËØÎ¢ÆøÏóÒÇÁ¢ÒìÐԵؽ«ÆøÏó±ê×¼²ÎÊý(·çËÙ¡¢·çÏò¡¢Î¶ȡ¢Êª¶È¡¢ÆøÑ¹¡¢pm2.5¡¢pm10¡¢ÔëÉù)ͨ¹ýÒ»¸ö¸ß¼¯³É¶È½á¹¹À´ÊµÏÖ£¬£¬£¬£¬£¬¿ÉʵÏÖ»§ÍâÆøÏó²ÎÊý24СʱһÁ¬ÔÚÏß¼à²â
Ò»¡¢²úÆ·¼ò½é
¡¡¡¡¡¶·Ç·²ÓéÀÖ¡·com×÷ΪרҵÑб¬·¢²úÏúÊÛ΢ÐÍÆøÏóÒÇµÄÆóÒµ£¬£¬£¬£¬£¬Ò»Ö±ÖÂÁ¦ÓÚ΢ÐÍÆøÏóÒÇºÍÆøÏóÇéÐνâ¾ö¼Æ»®ÍƹãÓ¦Óᣡ£¡£¡£¡£¾ßÓÐÍêÕûµÄÉú²úÁ´¡¢ÊµÁ¦ÐÛºñµÄÊÖÒÕÍŶӺÍÖÜÈ«µÄÓªÏúÍŶӣ¬£¬£¬£¬£¬ÎÒÃÇÑб¬·¢²úµÄ³¬Éù²¨·çËÙ·çÏòÒÇ¡¢ÎåÒªËØÎ¢ÆøÏóÒÇ¡¢ÁùÒªËØÎ¢ÆøÏóÒǺÍСÐÍ×Ô¶¯ÆøÏóÕ¾µÈÆøÏó²úÆ·£¬£¬£¬£¬£¬ÒÑÆÕ±éÓ¦Óõ½ÆøÏó¼à²â¡¢¶¼»áÇéÐμà²â¡¢·çÁ¦·¢µç¡¢º½º£´¬²°¡¢º½¿Õ»ú³¡¡¢ÇÅÁºËíµÀµÈÁìÓò£¬£¬£¬£¬£¬¿Í»§±é²¼Ììϸ÷µØ£¬£¬£¬£¬£¬²¢È¡µÃÁËÓÅÒìµÄÉç»áÐ§ÒæºÍ¾¼ÃÐ§Òæ¡£¡£¡£¡£¡£
¡¡¡¡Óë¹Å°åµÄ΢ÐÍÆøÏóÒÇÏà±È£¬£¬£¬£¬£¬ÎÒ˾²úƷսʤÁ˶Ը߾«¶È¼ÆÊ±Æ÷µÄÐèÇ󣬣¬£¬£¬£¬×èÖ¹ÁËÒò´«¸ÐÆ÷Æô¶¯ÑÓʱ¡¢½âµ÷µç·ÑÓʱ¡¢Î¶Èת±ä¶øÔì³ÉµÄÕÉÁ¿½û¾øÎÊÌâ¡£¡£¡£¡£¡£
¡¡¡¡JD-WQX8ÐͰËÒªËØÎ¢ÆøÏóÒÇÁ¢ÒìÐԵؽ«ÆøÏó±ê×¼²ÎÊý(·çËÙ¡¢·çÏò¡¢Î¶ȡ¢Êª¶È¡¢ÆøÑ¹¡¢pm2.5¡¢pm10¡¢ÔëÉù)ͨ¹ýÒ»¸ö¸ß¼¯³É¶È½á¹¹À´ÊµÏÖ£¬£¬£¬£¬£¬¿ÉʵÏÖ»§ÍâÆøÏó²ÎÊý24СʱһÁ¬ÔÚÏß¼à²â£¬£¬£¬£¬£¬Í¨¹ýÊý×ÖÁ¿Í¨Ñ¶½Ó¿Ú½«°ËÏî²ÎÊýÒ»´ÎÐÔÊä³ö¸øÓû§¡£¡£¡£¡£¡£²úÆ·½á¹¹½ô´Õ£¬£¬£¬£¬£¬ÐÎ×´ÑŹۡ¢´ó·½¡¢¸ß¶È¼¯³É¡£¡£¡£¡£¡£
¶þ¡¢²úÆ·ÌØµã
1¡¢¶¥¸ÇÒþ²ØÊ½³¬Éù²¨Ì½Í·£¬£¬£¬£¬£¬×èÖ¹ÓêѩȺ¼¯µÄ×ÌÈÅ£¬£¬£¬£¬£¬×èÖ¹×ÔÈ»·çÕÚµ²
2¡¢ÔÀíΪ·¢ÉäÒ»Á¬±äƵ³¬Éù²¨Ðźţ¬£¬£¬£¬£¬Í¨¹ýÕÉÁ¿Ïà¶ÔÏàλÀ´¼ì²â·çËÙ·çÏò
3¡¢·çËÙ¡¢·çÏò¡¢Î¶ȡ¢Êª¶È¡¢ÆøÑ¹¡¢pm2.5¡¢pm10¡¢ÔëÉù°ËÒªËØÒ»Ìåʽ
4¡¢½ÓÄÉÏȽøµÄ´«¸ÐÊÖÒÕ£¬£¬£¬£¬£¬ÊµÊ±ÕÉÁ¿£¬£¬£¬£¬£¬ÎÞÆô¶¯·çËÙ¡î
5¡¢¿¹×ÌÈÅÄÜÁ¦Ç¿£¬£¬£¬£¬£¬¾ßÓп´ÃŹ·µç·,×Ô¶¯¸´Î»¹¦Ð§,°ü¹ÜϵͳÎȹÌÔËÐÐ
6¡¢¸ß¼¯³É¶È£¬£¬£¬£¬£¬ÎÞÒÆ¶¯²¿¼þ£¬£¬£¬£¬£¬ÁãÄ¥Ëð
7¡¢Ãâά»¤£¬£¬£¬£¬£¬ÎÞÐèÏÖ³¡Ð£×¼
8¡¢½ÓÄÉASA¹¤³ÌËÜÁÏÊÒÍâÓ¦ÓÃÖÕÄêÎȹÌÉ«
9¡¢²úÆ·Éè¼ÆÊä³öÐźűêÅäΪRS485ͨѶ½Ó¿Ú£¨MODBUSÐÒ飩£»£»£»£»£»£»£»¿ÉÑ¡Åä232¡¢USB¡¢ÒÔÌ«Íø½Ó¿Ú£¬£¬£¬£¬£¬Ö§³ÖÊý¾Ýʵʱ¶ÁÈ¡¡î
10¡¢¿ÉÑ¡ÅäÎÞÏß´«ÊäÄ£¿£¿£¿£¿£¿£¿£¿£¿é£¬£¬£¬£¬£¬×îС´«Êä¾àÀë1·ÖÖÓ
11¡¢Ì½Í·Îª¿¨¿ÛʽÉè¼Æ£¬£¬£¬£¬£¬½â¾öÁËÔËÊä¡¢×°ÖÃÀú³ÌËɶ¯½û¾øµÄÎÊÌâ¡î
Èý¡¢ÊÖÒÕ²ÎÊý
1¡¢·çËÙ£ºÕÉÁ¿ÔÀí³¬Éù²¨£¬£¬£¬£¬£¬0¡«60m/s£¨¡À0.1m/s£©Çø·ÖÂÊ0.01m/s£»£»£»£»£»£»£»
2¡¢·çÏò£ºÕÉÁ¿ÔÀí³¬Éù²¨£¬£¬£¬£¬£¬0¡«360¡ã£¨¡À2¡ã£©£»£»£»£»£»£»£»Çø·ÖÂÊ£º1¡ã£»£»£»£»£»£»£»
3¡¢¿ÕÆøÎ¶ȣºÕÉÁ¿ÔÀí¶þ¼«¹Ü½áµçѹ·¨£¬£¬£¬£¬£¬-40-80¡æ£¨¡À0.3¡æ£©£¬£¬£¬£¬£¬Çø·ÖÂÊ0.01¡æ£»£»£»£»£»£»£»
4¡¢¿ÕÆøÊª¶È£ºÕÉÁ¿ÔÀíµçÈÝʽ£¬£¬£¬£¬£¬0-100%RH£¨¡À3%RH£©,Çø·ÖÂÊ£º0.1%RH£»£»£»£»£»£»£»
5¡¢´óÆøÑ¹Á¦£ºÕÉÁ¿ÔÀíѹ×èʽ£¬£¬£¬£¬£¬300-1100hpa£¨¡À0.25%£©£¬£¬£¬£¬£¬Çø·ÖÂÊ0.1hpa£»£»£»£»£»£»£»
6¡¢PM2.5£º0-1000ug/m3£¨¡À10%£©
7¡¢PM10£º0-1000ug/m3£¨¡À10%£©
8¡¢ÔëÉù£º30-120dB£¨¡À1.5dB£©
9¡¢¹¦ÂÊ:0.72W
10¡¢À¶ÑÀ£ºÄÚÖÃÀ¶ÑÀÄ£¿£¿£¿£¿£¿£¿£¿£¿é£¬£¬£¬£¬£¬¿ÉÁ¬°²×¿ÊÖ»ú£»£»£»£»£»£»£»
11¡¢ÓÐÏß´«Ê䣺485תUSB£¬£¬£¬£¬£¬¿ÉÖ±Á¬µçÄÔ£»£»£»£»£»£»£»
12¡¢Êý¾Ý´æ´¢£º²»ÉÙÓÚ50ÍòÌõ£»£»£»£»£»£»£»
13¡¢Éú²úÆóÒµ¾ßÓÐISOÖÊÁ¿ÖÎÀíϵͳ¡¢ÇéÐÎÖÎÀíϵͳºÍÖ°Òµ¿µ½¡ÖÎÀíϵͳÈÏÖ¤¡î
15¡¢Éú²úÆóҵΪ3A¼¶ÐÅÓÃÆóÒµ¡î
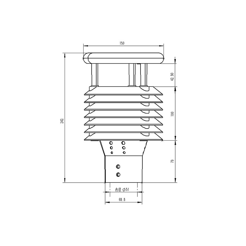
ËÄ¡¢²úÆ·³ß´çͼ

Îå¡¢²úÆ·½á¹¹Í¼

1¡¢¿ØÖƵç·
2¡¢Ö¸±±¼ýÍ·
3¡¢³¬Éù²¨Ì½Í·
4¡¢°ÙÒ¶ÏäPM2.5¡¢PM10
5¡¢Î¶ȡ¢Êª¶È¡¢ÔëÉù¡¢ÆøÑ¹¼à²âλÖÃ
6¡¢·¨À¼×ª»»Í·
¡ù´Ë²úÆ·¿ÉÑ¡Åäµç×ÓÂÞÅ̹¦Ð§
Áù¡¢²úÆ·½ÓÏß½ç˵
½ç˵ | ±¸×¢ | |
VCC | µçÔ´Õý | DC12V |
GND | µçÔ´µØ | |
485A | RS485A | |
485B | RS485B |